Engineering Project and Design Portfolio
Welcome to my portfolio! My name is Isaiah Hajabolhassan and I'm a Computer and Electrical Engineering Student at Oklahoma State University.
A showcase of my most impactful engineering projects that demonstrate my skills in electrical and computer engineering
Automated system for precise oil pan component placement for factory use.
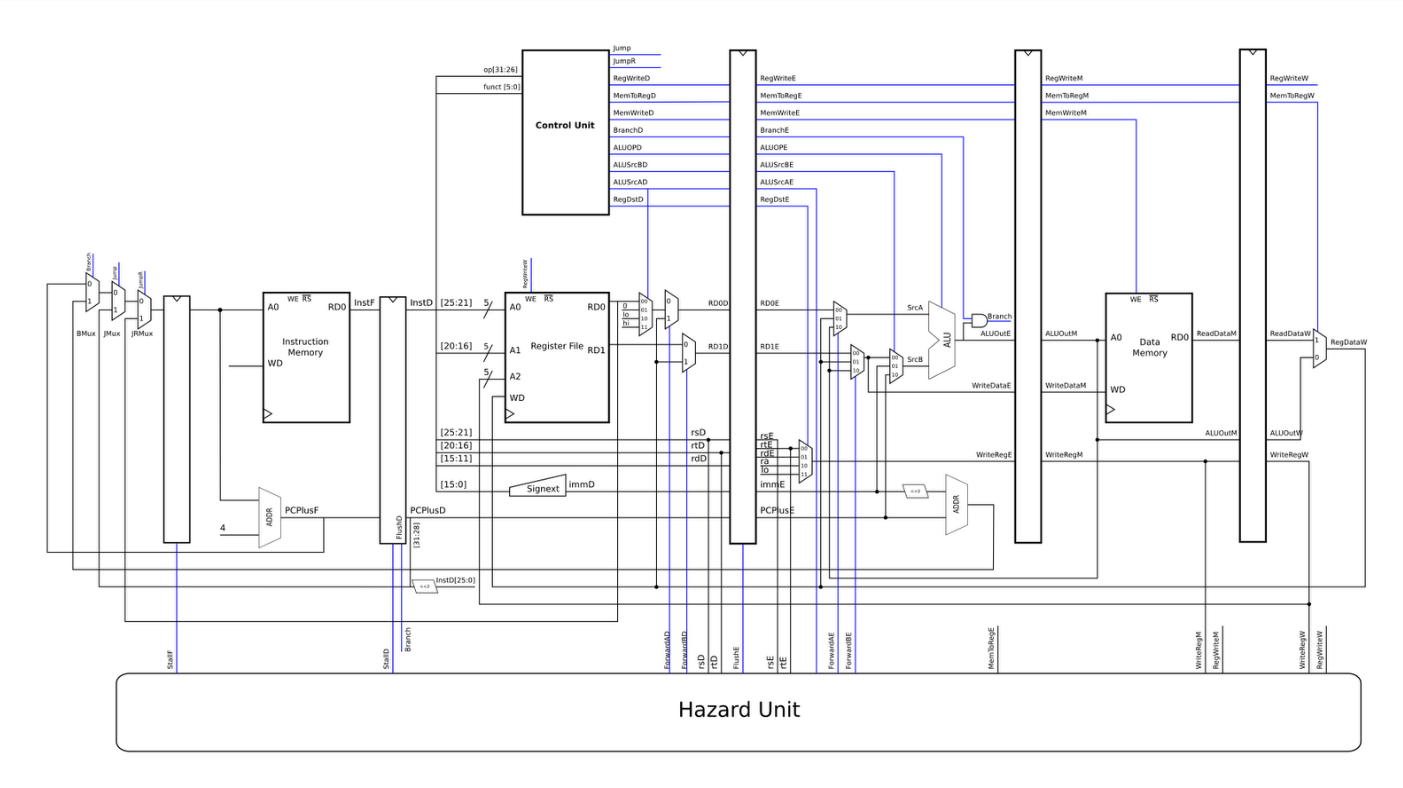
Complete RISC-V processor implementation with hazard detection, data forwarding, and branch prediction capabilities.
High-performance FPV racing drones built from scratch, achieving 100+ MPH speeds with custom electronics and programming.
Fill out the form below to get in touch directly: